Conector para fachadas com estrutura de madeira
O FOB destina-se a ser utilizado para ligar paredes de fachadas de madeira a um suporte de betão ou rígido, permitindo a expansão relativa e os assentamentos diferenciais entre os materiais.
A solução é composta por duas partes:
- o BFOB, para ligar a parte inferior da parede de madeira ao suporte,
- o TFOB, para ligar a parte superior da parede de madeira ao BFOB situado acima.
A ligação é suficientemente rígida para permitir uma folga entre a parede e a borda do suporte para camadas de isolamento.
Esta solução foi desenvolvida em colaboração com a Bouygues Construction IDF (patente pendente 2513058 07/11/2025)
Detalhes do produto
Características
Matéria
- Aço S235JR galvanizado a quente com 55 µm (TFOBG e BFOBG) ou com revestimento Sherard de 30 µm (TFOBSH e BFOBSH)
Vantagens
- Sistema de duas peças que permite as deformações relativas dos materiais no plano da fachada e que também consegue transmitir cargas da fachada para a estrutura de suporte.
- Permite um espaço livre entre a parede e o betão para a camada de isolamento
- Conector de perfil baixo, que pode ser ocultado nas camadas do paviment
Aplicação
Adequado para
- Elemento de suporte: CLT, betão, aço, etc.
- Elemento suportado: madeira
Áreas de aplicação
- Fachadas com estrutura de madeira sobre uma estrutura de betão
Dados técnicos
Outros dados técnicos
Quando se utiliza o BFOB em conjunto com o TFOB, pressupõe-se que as cargas horizontais (F1 e F2/3) são transferidas de forma igual através das travessas de madeira superior e inferior.
A carga vertical F4 é transmitida apenas pelo BFOB e o módulo de deslizamento k4.ser para F4 corresponde ao deslocamento no meio da travessa de madeira em contacto com o BFOB.
O suporte de betão deve ser reforçado para suportar a carga de compressão próxima da borda. Na carga máxima, a área efetiva de compressão do betão é considerada aqui a 30 mm de distância da borda.
*Para todas as configurações, o utilizador deve verificar a capacidade do par de âncoras, submetido às cargas 1*F1, 1*F2/3 e 1*F4, aplicadas no meio do par de âncoras.
Presume-se que o deslocamento adicional da soleira de madeira devido ao deslocamento da âncora é igual ao deslocamento real da âncora e deve ser adicionado à deflexão dos conectores. Portanto, o módulo de deslizamento da ligação global é kser = 1 / (1/kser.conector + 1/kser.âncora)
Por exemplo, com FM-753 CRACK M12 e profundidade de encaixe de 72 mm, o módulo de deslizamento global da ligação é de 4,59 kN/mm.
Dimensões do produto
| Referência | Dimensões do produto [mm] | Furos da flange A | Furos da flange B | ||||||||
|---|---|---|---|---|---|---|---|---|---|---|---|
| A | B | C | t1 | t2 | Ø5 [mm] | Ø5x20 [mm] | ∅5x25 | Ø35 [mm] | Ø14 [mm] | Ø14x30 [mm] | |
| BFOB | 50 | 260 | 210 | 10 | 5 | 4 | 4 | - | 1 | 2 | 2 |
| TFOB | 110 | 120 | 170 | 5 | 3.2 | 4 | - | 8 | - | - | - |
Capacidades características do produto - Madeira para betão - Padrão de fixação 1
| Referência | Capacidades do produto - Madeira para betão - Padrão de fixação 1 | ||||||||||||
|---|---|---|---|---|---|---|---|---|---|---|---|---|---|
| Elementos de fixação | Capacidades características - Madeira C24 [kN] | Módulo de deslizamento [kN/mm] | |||||||||||
| BFOB - Flange A no suporte | BFOB - Flange B em madeira | TFOB - Flange A em madeira | R1.k para soleira de madeira 45xL | R2.k = R3.k | R4.k | k1.ser [kN/mm] | k4.ser | ||||||
| Quantidade | Tipo | Quantidade | Tipo | Quantidade | Tipo | 140≤L≤145 mm | 150≤L≤220 mm | 140≤L≤145 mm | 150≤L≤220 mm | ||||
| BFOB | 2 | Ø12* | 4 | CSA5.0X80 | - | - | 8.6 | 6.1 | - | 17,9 / kmod | - | 4.83 | 3.85 |
| BFOB + TFOB | 2 | Ø12* | 4 | CSA5.0X80 | 8 | CSA5.0X40 | 17.3 | 12.1 | - | 17,9 / kmod | 16.9 | 4.83 | 3.85 |
Capacidades características do produto - Madeira para betão - Padrão de fixação 2
| Referência | Capacidades do produto - Madeira para betão - Padrão de fixação 2 | |||||||||||||
|---|---|---|---|---|---|---|---|---|---|---|---|---|---|---|
| Elementos de fixação | Capacidades características - Madeira C24 [kN] | Módulo de deslizamento [kN/mm] | ||||||||||||
| BFOB - Flange A no suporte | BFOB - Flange B em madeira | TFOB - Flange A em madeira | R1.k para soleira de madeira 45xL | R2.k = R3.k | R4.k | k1.ser [kN/mm] | k2.ser = k3.ser [kN/mm] | k4.ser | ||||||
| Quantidade | Tipo | Quantidade | Tipo | Quantidade | Tipo | 140≤L≤145 mm | 150≤L≤220 mm | 140≤L≤145 mm | 150≤L≤220 mm | |||||
| BFOB | 2 | Ø12* | 4 | CSA5.0X80 | - | - | 10.9 | 7.4 | 8.5 | 17,9 / kmod | - | - | 4.83 | 3.85 |
| BFOB + TFOB | 2 | Ø12* | 4 | CSA5.0X80 | 12 | CSA5.0X40 | 21.9 | 14 | 9.2 | 17,9 / kmod | 16.9 | 10.7 | 4.83 | 3.85 |
Capacidades características do produto - Madeira para betão - Padrão de fixação 3
| Referência | Capacidades do produto - Madeira para betão - Padrão de fixação 3 | |||||||||||||
|---|---|---|---|---|---|---|---|---|---|---|---|---|---|---|
| Elementos de fixação | Capacidades características - Madeira C24 [kN] | Módulo de deslizamento | ||||||||||||
| BFOB - Flange A no suporte | BFOB - Flange B em madeira | TFOB - Flange A em madeira | R1.k para soleira de madeira 45xL | R2.k = R3.k | R4.k | k1.ser | k2.ser = k3.ser | k4.ser | ||||||
| Quantidade | Tipo | Quantidade | Tipo | Quantidade | Tipo | 140≤L≤145 mm | 150≤L≤220 mm | 140≤L≤145 mm | 150≤L≤220 mm | |||||
| BFOB | 2 | Ø12* | 4 | CSA5.0X80 | - | - | 10.9 | 7.4 | 8.5 | 17,9 / kmod | - | - | 4.83 | 3.85 |
| BFOB + TFOB | 2 | Ø12* | 4 | CSA5.0X80 | 4 | CSA5.0X40 | 8.7 | 8.6 | 9.2 | 17,9 / kmod | - | - | 4.83 | 3.85 |
Instalação
Instalação
Elementos de fixação
Sobre madeira:
- Parafusos CSA
Em betão:
- Ancoragem mecânica: FM-753 Crack 3DG M12x110
- Ancoragem química: Resina KEM-HP + haste roscada LMAS M12-150/35
Instalação
- No topo da parede de madeira, antes de a parede ser elevada, fixe vários TFOB com parafusos CSA na soleira superior de madeira (verifique os esquemas de fixação). Utilize os orifícios oblongos nos conectores laterais e os orifícios circulares no conector central.
- No primeiro andar, coloque os BFOB na laje de betão ou na estrutura de aço, faça furos e instale parafusos de fixação para fixar a placa do BFOB (2 parafusos de fixação por placa).
- Eleve a parede de madeira e coloque-a sobre vários BFOB, depois fixe-a com parafusos CSA (verifique os padrões de fixação). Utilize os orifícios oblongos nos conectores laterais e os orifícios circulares no conector central.
- No piso superior, coloque outros BFOB em cima dos TFOB que se encontram no topo da parede e fixe estes BFOB à laje de betão ou à estrutura de aço com parafusos de fixação.
- Em seguida, proceda de forma semelhante com as paredes de madeira que se encontram no topo.
A parede de madeira deve ser estabilizada por outros meios (escoras) até que os conectores BFOB e TFOB estejam totalmente fixados.
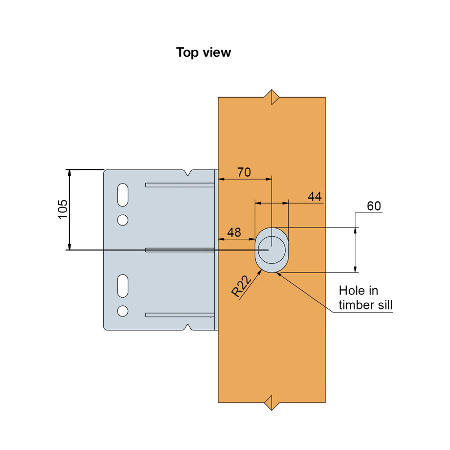
A soleira de madeira inferior deve ser perfurada para permitir que o pino do TFOB a atravesse. (Verifique o padrão de perfuração)
- Dimensão mínima da soleira de madeira: 45x140 mm
- Folga horizontal máxima entre a borda do betão e a borda da soleira de madeira: 40 mm
- Folga vertical máxima entre as soleiras de madeira: 40 mm