PIG
Pés de prumo de alma a selar
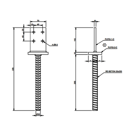
O PI é utilizado para ancorar e proteger os prumos do apodrecimento. Este deve ser selado no betão.
Marcação CE
ATE
Classe de serviço 3
Aço galvanizado
Exterior
EPD
Detalhes do produto
Características
Matéria
- Aço S235JR conforme a norma NF EN 10025,
- Acabamento galvanizado a quente conforme a norma NF EN ISO 1461,
- Espessura : 4 mm.
Vantagens
- Capacidade de carga em elevação,
- Altura regulável graças à haste de fixação,
- Discrição melhorada.
Aplicação
Suporte
- Elemento de suporte : betão,
- Elemento suportado : madeira maciça, aglomerado de madeira, laminada colada.
Áreas de utilização
- Prumos de alpendres, pérgulas,
- Prumos de varandas, terraços,
- Prumos de consolas.
Dados técnicos
Valores Caraterísticos
| Referência | Fixacões | Valores característicos - Madeira C24 [kN] | |||||||||||||||
|---|---|---|---|---|---|---|---|---|---|---|---|---|---|---|---|---|---|
| Sobre prumo | R1.k | R2.k | R3.k | R4.k | |||||||||||||
| Qdad | Tipo | Largura de prumo [mm] [mm] | Largura de prumo [mm] [mm] | Largura de prumo [mm] [mm] | |||||||||||||
| 60 | 80 | 100 | 120 | 60 | 80 | 100 | 120 | 60 | 80 | 100 | 120 | 140 | 160 | ||||
| PIG | 4 | STD8xL | 54.5/kmod | 13.8 | 16 | 18.7 | 20.7 | min (9.4 ; 7.9/kmod) | min (10.9 ; 7.9/kmod) | min (12.7 ; 7.9/kmod) | 7.9/kmod | 3.1 | 4.1 | min (5.9 ; 5.3/kmod) | min (7.9 ; 5.4/kmod) | min (9.4 ; 5.7/kmod) | 6.3/kmod |
* Consulte a gama de ancoragem Simpson Strong-Tie para identificar um ancoragem adequado. As soluções gerais de ancoragem, de escolher em função do tipo de betão, das distâncias caraterísticas e no bordo e entre ancoragens.
Valores Característicos simplificadas
| Referência | Fixacões | Simplified product capacities - Timber to concrete | |||||||||||||||
|---|---|---|---|---|---|---|---|---|---|---|---|---|---|---|---|---|---|
| Sobre prumo | R1,k* | R2,k* | R3,k* | R4,k* | |||||||||||||
| Qdad | Tipo | Width of post [mm] | Width of post [mm] | Width of post [mm] | |||||||||||||
| 60 | 80 | 100 | 120 | 60 | 80 | 100 | 120 | 60 | 80 | 100 | 120 | 140 | 160 | ||||
| PIG | 4 | STD8xL | 83.8 | 13.8 | 16 | 18.7 | 20.7 | 9.4 | 10.9 | 12.1 | 12.1 | 3.1 | 4.1 | 5.9 | 7.9 | 8.7 | 9.7 |
** Consulte a gama de ancoragem Simpson Strong-Tie para identificar um ancoragem adequado. As soluções gerais de ancoragem, de escolher em função do tipo de betão, das distâncias caraterísticas e no bordo e entre ancoragens.
Instalação
Instalação
Fixação
Em prumo de madeira :
- Fusos STDG ou parafusos de Ø 8 mm.
Em betão :
- Selagem do varão para betão Ø 20 mm na laje de betão com resina AT-HP.
Instalação
Parte alta :
- Realizar um entalhe vertical em alma do prumo (largura em função da espessura de alma).
- Identificar a posição dos cavilhões (ou parafusos) nos bordos do prumo.
- Perfurar transversalmente o prumo para inserir os cavilhões (diâmetro do furo em função do diâmetro do cavilhão).
- Posicionar o pé de prumo em alma e inserir os cavilhões.
Parte de baixo :
- Fixar o pé de prumo ao prumo.
- Perfurar o elemento verticalmente com o diâmetro e a profundidade determinados.
- Colocar o prumo e finalizar a fixação ao solo com a ajuda da fixação.
- O pé de prumo também pode ser mergulhado no betão quando este último for moldado.
Certification
Homologações técnicas europeia (ETA)
eta-07-0285-2025-11-19.pdf
(9.05 MB)
eta-07-0285-2021-12-09.pdf
(8.11 MB)
eta070285-sst-pb-hd-r6-2018.pdf
(8.84 MB)